Tamaño de entrada/salida de fluido ...
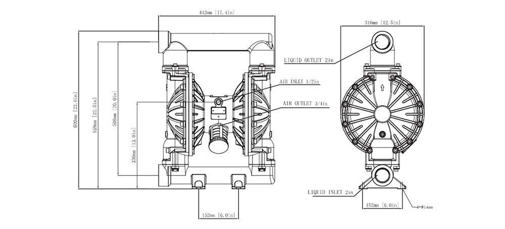
| Tamaño de entrada/salida de fluido | 2" |
| Tamaño de la entrada de aire | 1/2" |
| Elevación máxima por succión | Seco: 5m Mojado: 8m |
| Paso sólido máximo | 6 mm |
| Caudal máximo | 587L/min |
| Cabezal de entrega máximo | 84m |
| Presión máxima de aire | 8,4bar |
| Paso sólido máximo | 6 mm |
| Tasa máxima de consumo de aire | 175 scfm (4,9 m³/min) |
| Material del cuerpo principal | Aluminio |
Curva de rendimiento:
| Parámetros Técnicos | |
| Max. Elevador de succión La altura de succión cambia con las diferentes combinaciones de materiales de bola, asiento y diafragma. | Seco 5m Mojado 8m |
| Diámetro máximo de partícula | 6 mm |
| Tamaño de succión y descarga | 2 pulgadas/Npt/F |
| Tamaño de la entrada de aire | 1/2 pulgada |
| Caudal máximo | 587 L/min |
| Cabeza máxima | 84m |
| Presión máxima de entrada de aire | 8,4bar |
| Consumo máximo de aire | 175 scfm(4,9 m³/min) |
| Material del cuerpo principal | Aleación de aluminio |
Tamaño de instalación
Fundada en 2006, Shanghai Haoyang Pump Valve Manufacturing Co., Ltd. es una empresa especializada dedicada al desarrollo, diseño, fabricación, venta y servicio de bombas de diafragma. Nuestra empresa cuenta con modernos talleres estándar y ha introducido equipos de automatización avanzados junto con tecnologías de procesamiento confiables. Reconocida como “Empresa de Alta y Nueva Tecnología” por el Estado en 2020, hemos obtenido múltiples patentes y todos nuestros productos han recibido la certificación CE europea, además de pasar la certificación del sistema de gestión de calidad ISO 9001.
Nuestra serie HY de bombas de diafragma operadas por aire, si bien conserva las ventajas de productos similares, ha sido meticulosamente refinada, absorbida e innovada. Se caracterizan por su respeto al medio ambiente, eficiencia energética, capacidad a prueba de explosiones, versatilidad, alta estabilidad y funcionamiento sin problemas.
Área base de producción
País de exportación
Personal técnico
Caso de proyecto
Los componentes clave que garantizan que una bomba de diafragma sin fugas funcione con la máxima integridad son los di...
Bombas de diafragma Funciona mediante el uso de una membrana flexible que oscila hacia adelante y hacia atrá...
un bomba AOD (Bomba de diafragma accionada por aire) es un tipo de bomba de desplazamiento positivo que utiliza a...
Al manipular ácidos, bases o disolventes agresivos, la elección definitiva para un bomba de diafragma sin fugas ...
La principal diferencia entre un Bomba de diafragma sin fugas y una bomba de diafragma estándar reside en su dise...
Cuando la contención de fluidos no es negociable, ya sea en la fabricación farmacéutica, el procesamiento químico o la producc...